无锡市同康机电有限公司
返回首页 网站地图 联系我们
首 页 关于我们 产品中心 产品领域 服务和支持 如何选择产品 联系我们

产品中心|Product

Mercotac 水银滑环

230 两路30A

235 两路30A,500V

215-2K 两路15A,2000V

305 三路4A

110 单路10A

331 两路4A 一路30A

更多产品..

多通道旋转接头
水 气 液 电 一体旋转综合体
通孔式滑环
防爆滑环
高压滑环
大电流滑环
高速滑环
定制滑环
弹簧式电缆卷筒
合作品牌
 

Mercotac 水银滑环

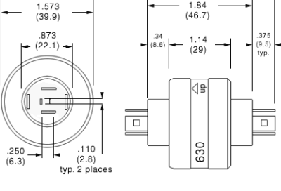
630 两路4A四路30A


点击放大
公司名称: 无锡市同康机电有限公司
产品型号:
产品简介:

Mercotac 630 两路4A四路30A水银滑环

详细说明

 

Mercotac 630

四极,
30安培 二极,
4安培

接头已包括
    橡皮套可选用
    不锈钢轴承可选择(630-ss)
型号 极数 电压范围
AC/DC
最大电流
@240VAC
最高频率
MHZ
接触电阻 最高转速 工作温度
Max. F(C)/
F(C)
旋转扭距
(x10-3Nm)
极间电阻
630 6 0-250 2@4/4@30 100 <1mΩ 300 140(60)/-20(-29) 700 >50MΩ
630-ss 6 0-250 2@4/4@30 100 <1mΩ 300 140(60)/-20(-29) 700 >50MΩ
"SS" 表示使用不锈钢轴承


630附件
55251
接头16-14AWG
(1个已包括)
57630
橡皮套
IP51
55110
接头22-18AWG
(4个已包括)
55253
收缩管
(3个已包括)
55252
接头16-14AWG
(3个已包括)

注意:附件需要单独定购

 











 

 

最新评论更多评论>>

快速评论

标题: 姓名:
内容:
 
网站地图|联系我们|客户留言|应用领域|管理后台
Copyright 2011 © 同康机电有限公司 - 旋转接头,液压滑环,气动滑环,气动旋转接头,液压旋转接头